Fiat Idea: Traino di rimorchiAVVERTENZE
Per il traino di roulottes o di rimorchi la vettura deve essere dotata di gancio di traino omologato e di adeguato impianto elettrico. L’installazione deve essere eseguita da personale specializzato che rilascia apposita documentazione per la circolazione su strada.
Montare eventualmente specchi retrovisori specifici e/o supplementari, nel rispetto delle norme del Codice di Circolazione Stradale vigente.
Ricordare che un rimorchio al traino riduce la possibilità di superare le pendenze massime, aumenta gli spazi d’arresto ed i tempi per un sorpasso sempre in relazione al peso complessivo dello stesso.
Nei percorsi in discesa inserire una marcia bassa, anziché usare costantemente il freno.
Il peso che il rimorchio esercita sul gancio di traino della vettura, riduce di uguale valore la capacità di carico della vettura stessa.
Per essere sicuri di non superare il peso massimo rimorchiabile (riportato sulla carta di circolazione) si deve tener conto del peso del rimorchio a pieno carico, compresi gli accessori e i bagagli personali.
Rispettare i limiti di velocità specifici di ogni Paese per i veicoli con traino di rimorchio.
In ogni caso la velocità massima non deve superare i 100 km/h.
| ATTENZIONE Il sistema ABS di cui è dotata la vettura non controlla il sistema frenante del rimorchio. Occorre quindi particolare cautela sui fondi scivolosi. |
| ATTENZIONE Non modificare assolutamente l’impianto freni della vettura per il comando del freno del rimorchio. L’impianto frenante del rimorchio deve essere del tutto indipendente dall’impianto idraulico della vettura. |
INSTALLAZIONE GANCIO DI TRAINO
Il dispositivo di traino deve essere fissato alla carrozzeria da personale specializzato, tenuto a rispettare eventuali informazioni supplementari e/o integrative rilasciate dal Costruttore del dispositivo stesso.
Il dispositivo di traino deve rispettare le attuali normative vigenti con riferimento alla Direttiva 94/20/CEE e successivi emendamenti.
Per qualsiasi versione è da utilizzarsi un dispositivo di traino idoneo al valore della massa rimorchiabile della vettura sulla quale si intende procedere all’installazione.
Per il collegamento elettrico deve essere adottato un giunto unificato, che generalmente viene collocato ad un’apposita staffa fissata di norma al dispositivo di traino stesso, e deve essere installata su vettura una centralina specifica per il funzionamento delle luci esterne del rimorchio.
I collegamenti elettrici devono essere effettuati con giunti a 7 o 13 poli alimentati a 12VDC (norme CUNA/UNI e ISO/DIN) rispettando eventuali indicazioni di riferimento del Costruttore della vettura e/o del Costruttore del dispositivo di traino.
Un eventuale freno elettrico o altro (argano elettrico, ecc.) deve essere alimentato direttamente dalla batteria mediante un cavo con sezione non inferiore a 2,5 mm2.
AVVERTENZA L’utilizzo del freno elettrico o dell’eventuale argano deve avvenire con motore avviato.
In aggiunta alle derivazioni elettriche è ammesso collegare all’impianto elettrico della vettura solo il cavo per l’alimentazione di un eventuale freno elettrico ed il cavo per una lampada d’illuminazione interna del rimorchio con potenza non superiore a 15W.
Per i collegamenti utilizzare la centralina predisposta con cavo da batteria non inferiore a 2,5 mm2.

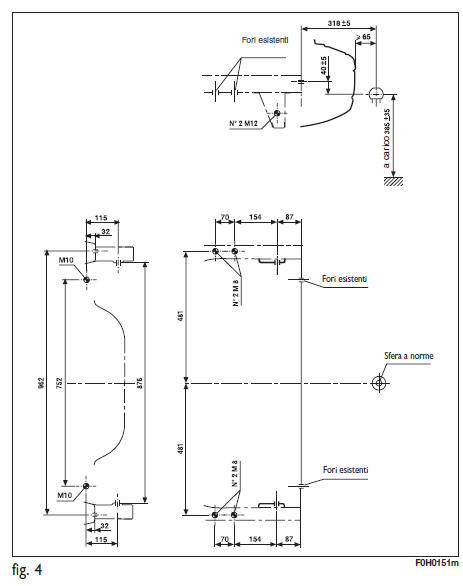
SCHEMA DI MONTAGGIO fig. 4
La struttura del gancio di traino deve essere fissata nei punti indicati
con
con un totale di n. 4 viti M8, n. 2 viti
M10 e n. 2 viti M12.
Il gancio va fissato alla scocca evitando qualsiasi intervento di foratura del paraurti posteriore che risulti visibile a gancio smontato.
AVVERTENZA È obbligatorio fissare alla stessa altezza della sfera del gancio una targhetta (ben visibile) di dimensioni e materiale opportuno con la seguente scritta: CARICO MAX SULLA SFERA 60 kg
| ATTENZIONE Dopo il montaggio, i fori di passaggio delle viti di fissaggio devono essere sigillati, per impedire eventuali infiltrazioni dei gas di scarico. |
Opel Corsa. Driver Information Center
Il Driver Information Center si trova
nel quadro strumenti.
In base alla versione e all'equipaggiamento,
il Driver Information Center è
disponibile come display di livello
medio o displa ...
Mercedes-Benz Classe B. Sistema di chiamata di emergenza Mercedes-Benz
Le avvertenze sui requisiti preliminari sono riportate nelle
Istruzioni d'uso digitali.
Apertura: premere
leggermente la copertura
.
Attivazione della chiam ...
KIA Rio. Regolatore altezza fari
(se in dotazione)
Per regolare il livello del fascio dei fari in
base al numero di passeggeri e al peso
dei bagagli nel portabagagli, ruotare il
regolatore dei fari.
Maggiore è il numero indicato sul
...